



🛠️Características
- Fabricante: Genérico
- Tipo de montaje: SMD/SMT
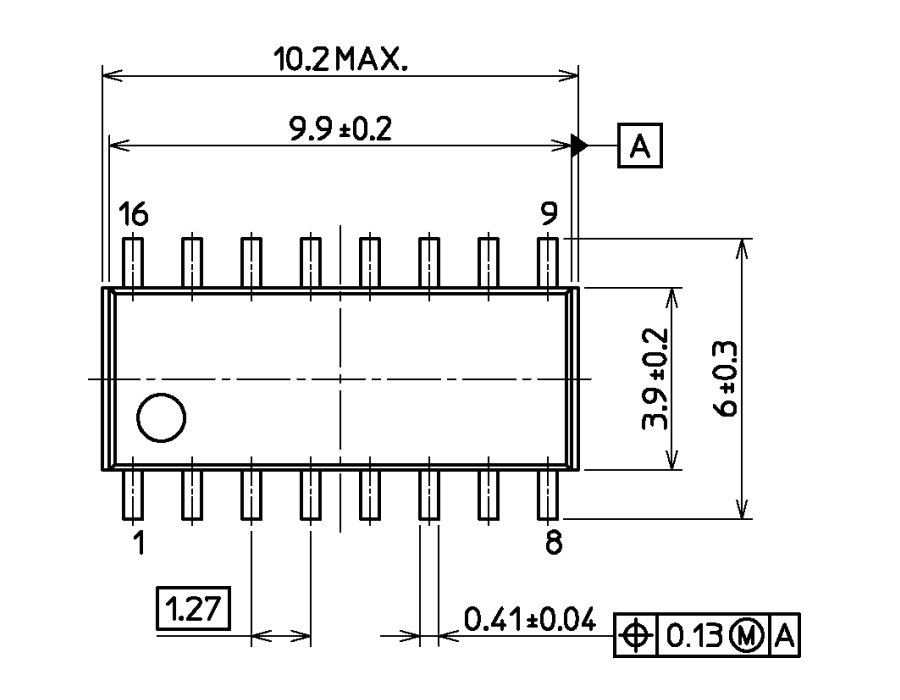
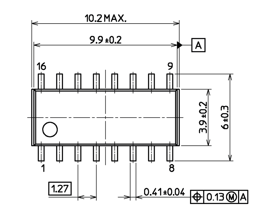
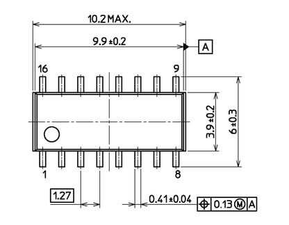
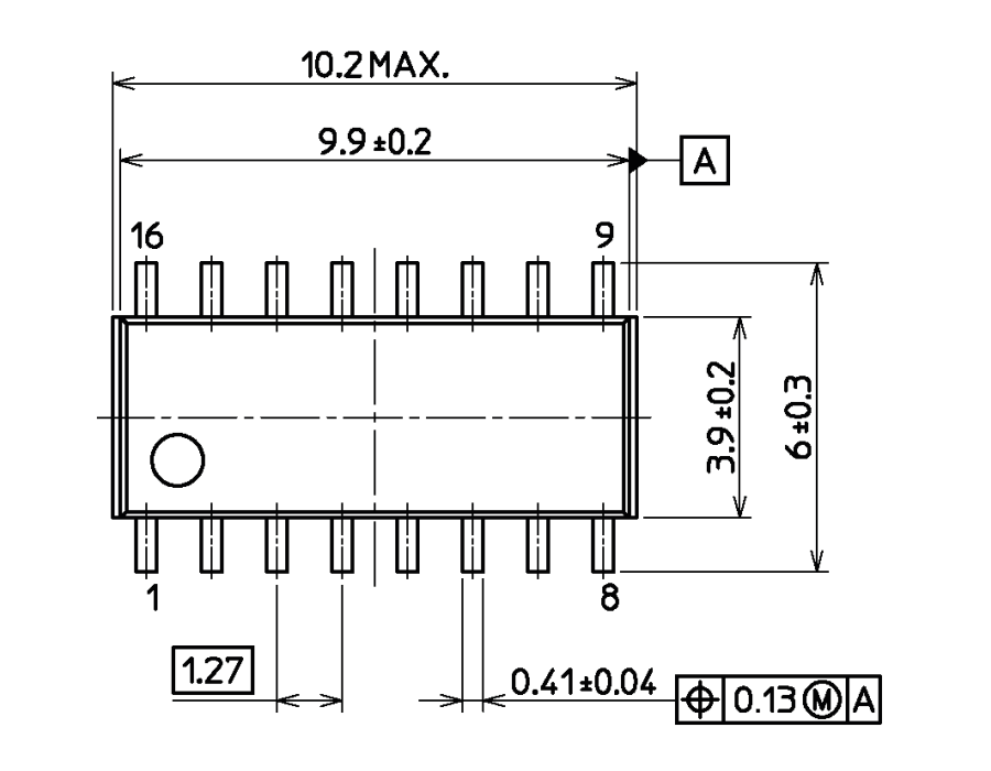
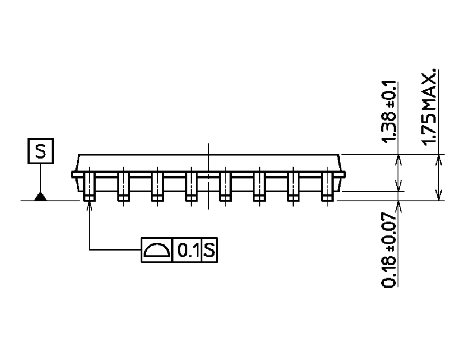
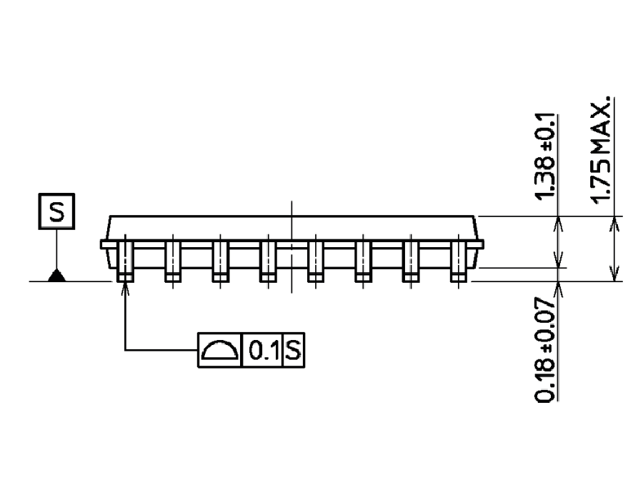
- Encapsulado: SOP16
- Voltaje de alimentación:3 - 5.5V
- Corriente que consume: 30mA max.
- Temperatura mínima de trabajo: -40°C
- Temperatura máxima de trabajo: 85°C
- Frecuencia de reloj: 98 – 12.02MHz
- Tiempo de conmutación: 50ms max.
- Velocidad de baudios: 50bps a 2 Mbps
- Interfaz serial ful-duplex de hardware con FIFO interno
- Interfaz USB de velocidad completa, compatible con USB 2.0
- Funciona con componentes externos, como 1 cristal y 4 condensadores mínimo
- Admite señales de control de flujo RTS, DTR, DCD, RI, DSR y CTS
-
Admite RS232, RS422 y RS485 con componentes externos
📦 Contenido del producto
1 x Conversor USB - Serial CH340G
Uso y aplicaciones
🧠 Aplicaciones
- Programación de placas como Arduino Pro Mini, ESP8266, ESP32
- Comunicación serial entre PC y microcontroladores
- Debugging en sistemas embebidos
- Actualización de firmware vía UART
-
Ideal para entornos educativos y makers
🔌 Compatibilidad y uso
- Compatible con Windows, Linux y MacOS
- Funciona con placas Arduino sin puerto USB integrado
- Ideal para dispositivos con comunicación UART TTL
- Requiere instalación de drivers CH340 (Windows)
-
Selecciona correctamente el voltaje según el dispositivo (3.3V o 5V)